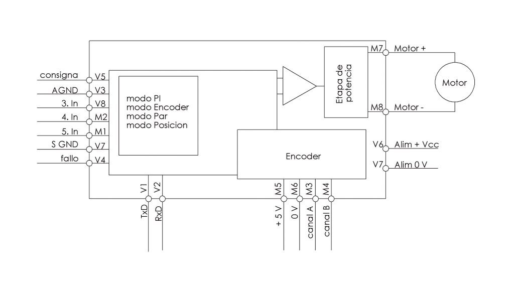
Série MCDC 3006
CARATERÍSTICAS:
- Placa eletrónica para regulação de velocidade para motores CC Brushless até 90W.
- Saídas para fins de curso.
- Tamanho reduzido, fixação e ligação simples.
- Comunicação para parametrização e controle com ADAPT.
MCDC 3006
- Tipo: DC
- Potência: 180 W
- Tensão: 12 – 30 VDC
- Corrente: 6 A

Categories: Micro MotoRedutores CA, Transmissão Mecânica, Variadores, Variadores CC
