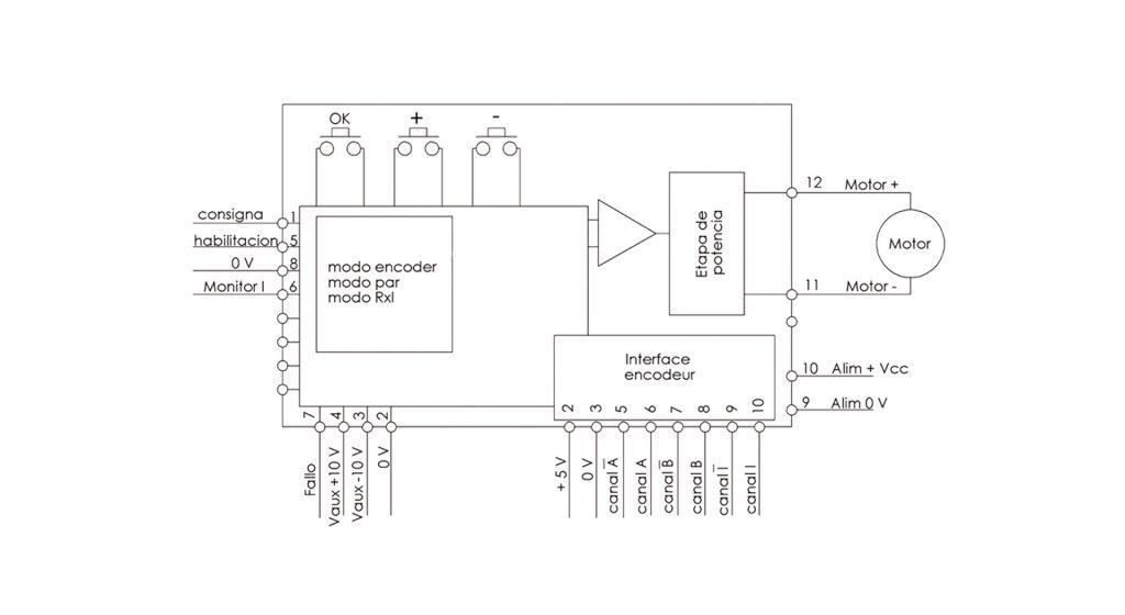
Série FIRST DC 4Q 50/10
CARATERÍSTICAS:
- Placa eletrónica para regulação de velocidade e posicionamento.
- Alto rendimento.
- Comandos de programação ASCII.
- Funcionalidade de modo autónomo.
- Parametrização via RS232 ou CAN.
FIRST DC 4Q 50/10
- Tipo: DC
- Potência: 250 W
- Tensão: 12 – 50 VDC
- Corrente: 5 A

Categories: Micro MotoRedutores CA, Transmissão Mecânica, Variadores, Variadores CC
