Série 12A8
CARATERÍSTICAS:
- Placa eletrónica de regulação de velocidade para motores de CC Brushless até 90W.
- Saídas para fins de curso.
- Tamanho reduzido, fixação e ligação simples.
- Comunicação para parametrização CO.
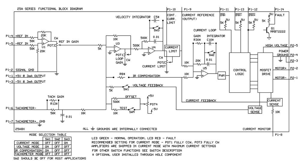
12A8
- Tipo: DC
- Potência: 456 W
- Tensão: 20 – 80 VDC
- Corrente: 6 A

Categories: Micro MotoRedutores CA, Transmissão Mecânica, Variadores, Variadores CC
