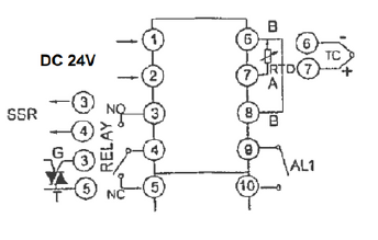
Entrada do Regulador programa saída relé + 2 alarmes

Documentação Adicional
Caraterísticas Técnicas – Entrada do Regulador programa saída relé + 2 alarmes (8071)
Caraterísticas:
- Entrada Múltipla: K (0~999ºC), E (0~999ºC), J(0~999ºC), T (0~400ºC), PT100 (-199~600ºC).
- Tensão de Alimentação: 24V
- Precisão: 0,5% FS
| Referência | 8071 00 |
|---|
Esquema de Conexão
